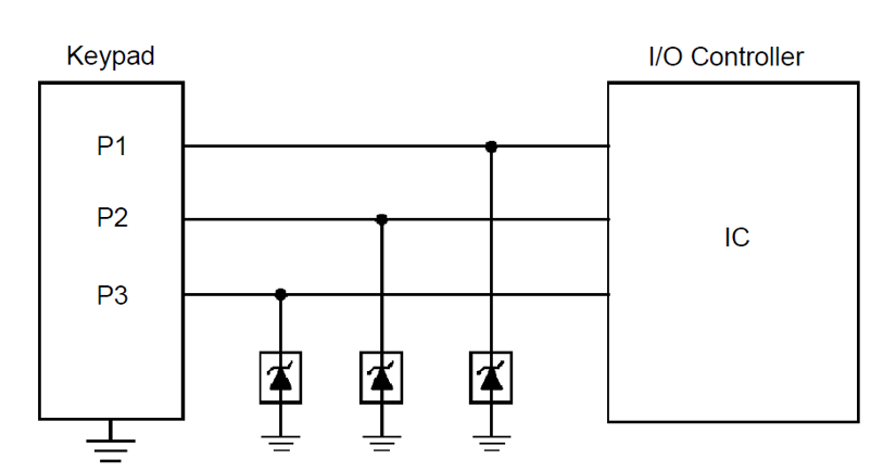
The TESDA28VU18P1Q1 is a uni-directional ESD protection diode designed to protect power interfaces, or control lines, or low-speed data lines in an electronic system. It has been specifically designed to protect sensitive electronic components connected to power and control lines from over-voltage damage by Electrostatic Discharge (ESD) and lightning.
This is an ESD protection device in an ultra small DFN1006-2LW Surface-Mounted Device (SMD) package designed to protect a single automotive in-vehicle network bus line from the damage caused by Electrostatic discharge (ESD) and other transients.
Key Features
- AEC-Q101 qualified
- Wettable flank
- Provide ESD protection to
IEC 61000-4-2 (ESD) ±15kV (air), ±15kV(contact)
IEC 61000-4-5 (Lightning) 1.7A (8/20us)
Applications
- Automotive low speed data lines
- Portable Instrumentation
- General Purpose I/O
- Mobile & Handhelds
Product Portfolio
| Part Number | Package | VWM (V) | CJ (pF) Max. | ESD robustness (IEC61000-4-2) (kV) | IPPM at tp = 8/20μs (A) |
| TESDA28VU18P1Q1 | DFN1006-2LW | 28 | 18.6 | 15 | 1.7 |
Facebook
LinkedIn
Email


